My JLH Class A Amplifier
The JLH Class A Amplifier is an old design from around the end of the 1960-ties and has a whole site dedicated to it:
The JLH Class-A Amplifier. I started my project when I worked in Holland back in 1990, but neve finished it then. I found my old print a bit of time agow and desided to finish it, manly because I remember it has such a good sound. So I decided to build a box for it and get it ready for use:
The sound was as good as I remember it even there where a weak 50 Hz noise so I have to construct voltage regulator for it.
My digram:
| R1 | 47 (5w) | C1 | 470uF (40V) |
| R2 | 120 (5w) | C11 | 100nF |
| R3 | 2K7 (1/4w) | C2 | 220uF (40V) |
| R4 | 220 (1/4w) | C22 | 100nF |
| R5 | 8K2 (1/4w) | C3 | 4700uF (40V) |
| R6 | 2K9 (1/4w) | C33 | 100nF |
| R7 | 100K (1/4w) | C4 | 220uF (40V) |
| R8 | 200K (trim) | C44 | 100nF |
| R9 | 2K2 (1/2w) | C5 | 500nF |
| R10 | 2K2 (1/2w) | | |
| L1 | Loadspeaker 4 ohm | | |
| T1 | 2N3055 | Heat sink for T1 | |
| T2 | 2N3055 | Heat sink for T2 | |
| T3 | 2N1711 | Heat sink for T3 | |
| T4 | BC557 | | |
Trim R8 to Ve = 1/2 V+
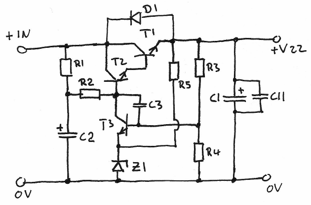
| R1 | 3K3 | C1 | 1000uF (40V) |
| R2 | 3K3 | C11 | 100nF |
| R3 | 3K3 | C2 | 100uF (40V) |
| R4 | 8K2 | C3 | 22nF |
| R5 | 1K8 | | |
| T1 | TIP3055 | D1 | 1N4001 |
| T2 | BD139 | Z1 | 15V |
| T3 | | | |